My Projects

Kazino Sportsbook
An application that allows users to bet on real soccer games with virtual currency.
Next.js
PostgreSQL
Supabase
Supabase Auth
Shadcn UI

Kazino Sportsbook API
A RESTful API that provides live match data, betting odds, and match results for soccer matches.
Express.js
Puppeteer
Playwright
Supabase
PostgreSQL

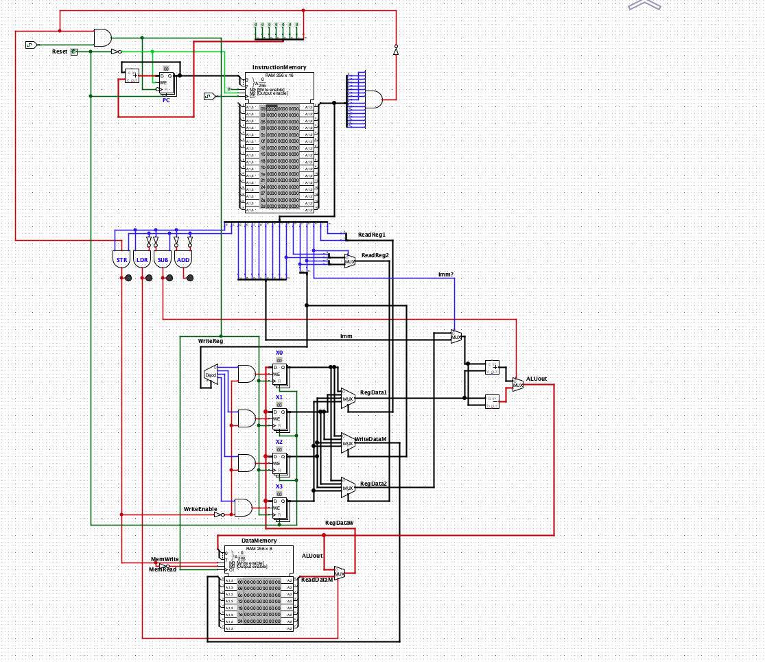
16-Bit Single-Clock Cycle CPU
Architected using Logisim, featuring 4 registers, 3-read-ports, a datapath with an ALU, and separate instruction/data RAM.
Logisim
Python
ARM64

Wordle Solver Tool
An interactive Wordle solver that suggests optimal guesses using letter frequency data and provides real-time data visualizations.
Python
Matplotlib
